Fasadelist MC138

Fasadelist MC138

kr 307.50 /m

kr 615.00 /st
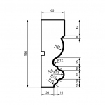
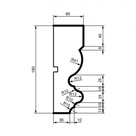
Dimensjoner200 x 19 x 6,5 cm
2.00 m (kr 615.00)st

Forventet leveransedato: 16-04-2026

Er det vanskelig å bestemme seg? Bestill en prøvebit!

Bestill prøvebit — Du får opptil fire prøvebiter gratis, du betaler kun frakt på 149 kr. Rabatten trekkes fra i kassen.
  • Enkel installasjon
Fasadelist MC138 gir huset ditt et nydelig særpreg. Fasadelistene har en kjerne av polystyrene (isopor) som er dekket av et frostsikkert sand materiale av høy kvalitet og kan males med alle typer maling. Listen limes rett på muren med fliselim. Perfekt for alle typer mur/leca hus.
MC138 20